スライドロック

花・ガーデン・DIY

検索するジャンル スライドロック
全てのジャンル
結果件数
検索キーワード

その他 除外キーワード
最低価格(円)
最高価格(円)
ショップコード
購入種別

海外配送

海外配送対象地域
あす楽対応
ポイント倍付け

ポイント倍付け指定(2〜10)
送料フラグ
クレジットカード
動画
資料請求対応
配送日指定対応


キーワード等を指定し、条件を選択して絞り込んで実行してください。
地域コード

すべての国:ALL アメリカ:US  アルゼンチン:AR  ブラジル:R  カナダ:CA  メキシコ:MX  オーストリア:AT  ベルギー:BE  デンマーク:DK  フランス:FR  ドイツ:DE  ギリシャ:GR  イタリア:IT  モロッコ:MA  オランダ:NL  ポーランド:PL  ポルトガル:PT  ロシア:RU  スペイン:ES  スウェーデン:SE  スイス:CH  トルコ:TR  英国:GB  オーストラリア:AU  中国:CN  香港:HK  インド:IN  インドネシア:ID  韓国:KR  マレーシア:MY  ニュージーランド:NZ  フィリピン:PH  シンガポール:SG  台湾:TW  タイ:TH  ベトナム:VN 



KNOWLEDGE

生活百科


※商品についてのお問合せは、各店舗にお問い合わせください。
楽天ウェブサービスセンター


4283件|13ページ/100ページ|
<-- 前のページへ 次のページへ -->
SUGATSUNE スガツネ工業 面付 シリンダー 錠 2650型 用 本体 150-022-067 2650-30-DN-B | DIY LAMP ランプ 金物 金具 建具 ツール 鍵 カギ セキュリティ部品 シリンダー錠 片開き扉 右用 引き出し シリンダー めっき仕上げ SUGATSUNE スガツネ工業 LAMP ランプ 建築金物 家具金物 金物 金具 建具 ツール 鍵 カギ セキュリティ部品 シリンダー錠 片開き扉 右用 引き出し シリンダー めっき仕上げ  SUGATSUNE スガツネ工業 面付 シリンダー 錠 2650型 用 本体 150-022-067 2650-30-DN-B | DIY LAMP ランプ 金物 金具 建具 ツール 鍵 カギ セキュリティ部品 シリンダー錠 片開き扉 右用 引き出し シリンダー めっき仕上げ  
[ショップ:DE(desir de vivre)]  [ショップコード:desir-de-vivre]
価格:2,515円  税込  送料別  クレジットカード利用可  海外配送不可   翌日配送不可   ギフト包装不可 

※image photo 面付 シリンダー 錠 2650型 用 本体 【説明】用途:取付面:鍵違い数:マスターキー:解錠時:対応タートルロック 引き出し片開き扉(右用):木:48通り(2650-16型)/120通り(2650-22・30型):-:キーは抜ける:- 外筒チェンジ式(下記)による引き出し用・右開き扉用の兼用型です。 面付タイプなので、かぶせ扉などに適します。 2650型全体の共通キー番号は48通りです。 面付シリンダー錠2620型の後継機種です。 別番/同番:別番 シリンダー径:15.7 キー抜き差し:2ヶ所 キー回転角度:360度 製品内容は、部品としての品質範囲です。この部品を使用した最終製品の機能・性能・安全を保証するものではありません。 受注対応で金色仕上もできます(2650-16型は除く)。 【注 意】 錠前の取り扱い上のご注意をご確認ください。 【付属品】 十字穴付皿木ねじ3.1×20、2.1×10 キー リング 受座 【引き出し用、右開き扉用のチェンジ】 図(A)のねじを外し、外筒を正面から見て90度回した後(右開き扉用へのチェンジは右方向)、外したねじを元の位置に締めてください。 外筒正面のLAMPの文字が起立するように取り付けてください。 【材料】(1)シリンダー本体:亜鉛合金(ZDC) (2)シリンダー外筒:黄鋼 (3)ケース:亜鉛合金(ZDC) (4)デッドボルト:亜鉛合金(ZDC) (5)キー:黄鋼 (6)リング:黄鋼 (7)受座:黄鋼 【仕上】(1)シリンダー本体:ダルニッケルめっき (2)シリンダー外筒:ニッケルめっき (3)ケース:ダルニッケルめっき (4)デッドボルト:ニッケルめっき (5)キー:ニッケルめっき (6)リング:ダルニッケルめっき (7)受座:素地 【サイズ】取付板厚:L:A 30:30:42 【重量】98g 【注文コード】150-022-067 【品番】2650-30-DN-B 別番/同番:別番 シリンダー径:15.7 キー抜き差し:2ヶ所 キー回転角度:360度 製品内容は、部品としての品質範囲です。この部品を使用した最終製品の機能・性能・安全を保証するものではありません。 ※画像はイメージです。 ※パッケージ、仕様、品番などの変更が予告なく変更される場合が御座います。 カテゴリー


SUGATSUNE スガツネ工業 ステンレス鋼製 面付 シリンダー 錠 3810S型 用 本体 150-001-370 3810S-30-D | DIY LAMP ランプ 金物 金具 建具 ツール 鍵 カギ セキュリティ部品 シリンダー錠 片開き扉 右用 引き出し シリンダー めっき仕上げ SUGATSUNE スガツネ工業 LAMP ランプ 建築金物 家具金物 金物 金具 建具 ツール 鍵 カギ セキュリティ部品 シリンダー錠 片開き扉 右用 引き出し シリンダー めっき仕上げ  SUGATSUNE スガツネ工業 ステンレス鋼製 面付 シリンダー 錠 3810S型 用 本体 150-001-370 3810S-30-D | DIY LAMP ランプ 金物 金具 建具 ツール 鍵 カギ セキュリティ部品 シリンダー錠 片開き扉 右用 引き出し シリンダー めっき仕上げ  
[ショップ:SIMONS STORE]  [ショップコード:simons-store]
価格:12,100円  税込  送料別  クレジットカード利用可  海外配送不可   翌日配送不可   ギフト包装不可 

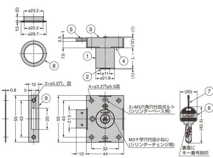
※image photo ステンレス鋼製 面付 シリンダー 錠 3810S型 用 本体 【説明】用途:取付面:鍵違い数:マスターキー:解錠時:対応タートルロック 引き出し片開き扉(右用):木:12通り※1:-※2:キーは抜ける:- ※1受注対応で最大300通り ※2受注対応で最大300通り(1マスターのみ) キーは耐食性・耐磨耗性を考慮し、洋白材を使用しています。また、弊社従来品より厚く丈夫です。 キーは抜き差し方向のないリバーシブルタイプです。 外筒チェンジ式(下記)による引き出し用、右開き扉用の兼用型です。 面付タイプなので、かぶせ扉に適します。 同じ材料のシリンダー錠3800S型もあります。キー番号をご指定いただくとキーの共通使用ができます。 【注 意】 取扱い上のご注意を必ずご確認ください。 防水仕様ではありません。 【付属品】 十字穴付皿木ねじ3.1×20、2.1×10(ステンレス鋼) キー リング 受座 【引き出し用・右開き扉用のチェンジ】 外筒を引き出し用、右開き扉用の各位置に回転させ、ねじで固定します。外筒正面のLAMPロゴが起立するように取り付けてください。 【材料】(1)シリンダー本体:ステンレス鋼(SUS303) (2)シリンダー鍵芯:ステンレス鋼(SUS303) (3)ケース:ステンレス鋼(SUS304) (4)シリンダーベース:ステンレス鋼(SUS304) (5)デッドボルト:ステンレス鋼(SUS304) (6)キー:洋白 (7)キーリング:ステンレス鋼(SUS304) (8)表面リング:ステンレス鋼(SUS304) (9)受座:ステンレス鋼(SUS304) ※シリンダーピンは黄鋼製です。 【仕上】(1)シリンダー本体:ヘアライン仕上 (2)シリンダー鍵芯:素地 (3)ケース:素地 (4)シリンダーベース:素地 (5)デッドボルト:素地 (6)キー:素地 (7)キーリング:素地 (8)表面リング:素地 (9)受座:素地 【サイズ】適応板厚:30 L:30 【重量】195g 【注文コード】150-001-370 【品番】3810S-30-D 別番/同番:同番 シリンダー径:21.8 キー抜き差し:2ヶ所 キー回転角度:360度 製品内容は、部品としての品質範囲です。この部品を使用した最終製品の機能・性能・安全を保証するものではありません。 ※画像はイメージです。 ※パッケージ、仕様、品番などの変更が予告なく変更される場合が御座います。 カテゴリー


SUGATSUNE スガツネ工業 スリム プッシュ ラッチ IT5700型 用 調整機能付 (1)本体 マグネット付(キャッチなし丁番と併用) ダークグレー 140-035-967 IT5700-8020EE | DIY 金物 金具 スリムプッシュラッチ 部品 ツール シンプル 掛け金 留め金 扉 ドア スリム SUGATSUNE スガツネ工業 LAMP ランプ 建築金物 家具金物 金物 金具 スリムプッシュラッチ 調整機能 部品 ツール シンプル 掛け金 留め金 扉 ドア スリム  SUGATSUNE スガツネ工業 スリム プッシュ ラッチ IT5700型 用 調整機能付 (1)本体 マグネット付(キャッチなし丁番と併用) ダークグレー 140-035-967 IT5700-8020EE | DIY 金物 金具 スリムプッシュラッチ 部品 ツール シンプル 掛け金 留め金 扉 ドア スリム  
[ショップ:SIMONS STORE]  [ショップコード:simons-store]
価格:1,123円  税込  送料別  クレジットカード利用可  海外配送不可   翌日配送不可   ギフト包装不可 

※image photo スリム プッシュ ラッチ IT5700型 用 調整機能付 (1)本体 【説明】※本品はIT4523型(旧仕様)の代替品です。旧仕様の取付位置と互換性があります。 スリムで取り付けスペ-スをとらず、キャビネット内を有効活用できるプッシュラッチです。 マグネット付タイプは扉を閉める時に指先で軽く押すだけで、マグネットが扉をキャッチします。 多段式調整機能付のため、ストロ-ク長さを調整できます。 ストロ-クが本体からはずれないロック機能付です。 【注 意】 本体の取り付けには、必ず取付用工具(別売品)をご使用ください。 誤作動防止のため、ストロ-クの調整範囲をお守りください。 ストロ-ク部を回すと調整できますが、回転が止まった時点でそれ以上回さないでください。破損の原因になります。 ショ-ト・ミディアムタイプは扉吊元から200mm以上、ロングタイプは扉吊元から400mm以上の位置に取り付けてください。 面付仕様をご使用の際は、取付座・シェル(別売品)を必ず合わせてご注文ください。 マグネット付をご使用の際は、マグネット受座(別売品)を3種類の中から選定し、合わせてご注文ください。 粘着テ-プタイプのマグネット受座は、貼り付ける面の汚れや油分を拭き取ってから貼り付けてください。 マグネットの吸着力にはバラつきがあります。現品にてご確認ください。 【仕様】マグネット付(キャッチなし丁番と併用) 【材料】ステンレス鋼/ポリアセタール(POM) 【色】ダークグレー 【サイズ】ロング L1:L2:A:B 37:68.4:29.5〜 35.5:70 【吸着力N】16.7 【吸着力kgf】 1.7 【重量】8g 【注文コード】140-035-967 【品番】IT5700-8020EE 【(1)〜(4)の部品を組み合わせてご注文ください】 ※(5)取付工具は必ずご注文ください。 [輸入]このマークの製品は輸入品のため「寸法・色調・作動感のばらつき」や、予告なく仕様変更等を行う場合があります。 製品内容は、部品としての品質範囲です。この部品を使用した最終製品の機能・性能・安全を保証するものではありません。 ※画像はイメージです。 ※パッケージ、仕様、品番などの変更が予告なく変更される場合が御座います。 カテゴリー



SUGATSUNE スガツネ工業 ダイヤル錠付 クオーターターン 290-9307 番号固定タイプ カム付 150-010-028 290-9307 | DIY LAMP ランプ 金物 金具 ツール 鍵 錠 カギ 部品 パーツ セキュリティ部品 防犯 ロック ダイヤル錠 クォーターターン 番号固定 SUGATSUNE スガツネ工業 LAMP ランプ 建築金物 家具金物 金物 金具 ツール 鍵 錠 カギ 部品 パーツ セキュリティ部品 防犯 ロック ダイヤル錠 クォーターターン 番号固定  SUGATSUNE スガツネ工業 ダイヤル錠付 クオーターターン 290-9307 番号固定タイプ カム付 150-010-028 290-9307 | DIY LAMP ランプ 金物 金具 ツール 鍵 錠 カギ 部品 パーツ セキュリティ部品 防犯 ロック ダイヤル錠 クォーターターン 番号固定  
[ショップ:DE(desir de vivre)]  [ショップコード:desir-de-vivre]
価格:6,358円  税込  送料別  クレジットカード利用可  海外配送不可   翌日配送不可   ギフト包装不可 

※image photo ダイヤル錠付 クオーターターン 290-9307 番号固定タイプ 【説明】ダイヤル錠式で、鍵を持つ必要がありません。 3桁の解錠番号は変更できます。 取付穴への挿入およびナットの装着時、カムの取り外しは不要です。 290-9307は納品時、右勝手扉仕様です。カムを組み替えることで、左勝手扉仕様に変更できます。 【仕 様】 IP65適合(100-9302のみ) [輸入]このマークの製品は輸入品のため「寸法・色調・作動感のばらつき」や、予告なく仕様変更等を行う場合があります。 製品内容は、部品としての品質範囲です。この部品を使用した最終製品の機能・性能・安全を保証するものではありません。 つまみ部がシルバ-色の仕様も受注対応でご用意できます。 290-9307の首下寸法が短い仕様も受注対応でご用意できます。 【注 意】 解錠番号が分からないと、解錠・番号変更ができません。番号忘れを防ぐため、番号をどこかにメモしておくことをお勧めします。 【別売品】 100-9302適応カム ステンレス鋼製回転カム200-05型、回転カム200-04型、200-06型 3点カム200-95型 番号固定設定タイプ(プライベ-ト仕様) オフィスのキャビネットなど限られた人が利用する施設向けです。 ダイヤル錠の解錠番号の変更方法 1.3桁の数字を設定してある解錠番号にセットしてください。(出荷時の設定は、「000」です) 2.ダイヤル錠下部にある小さな穴に、直径2〜2.5mmのピンを押し込んでください。 3.押し込んだまま、新しい解錠番号にダイヤルを合わせ、穴からピンを離せば、設定完了です。 【仕様】カム付 【材料】(1)つまみ・ハウジング:亜鉛合金 (2)カム:鋼 −Oリング(100-9302のみ):ニトリルゴム(NBR) 【色】(1)つまみ・ハウジング:ブラック (2)カム:- −Oリング(100-9302のみ):ブラック 【仕上】(1)つまみ・ハウジング:塗装 (2)カム:光沢クロメート処理 −Oリング(100-9302のみ):- 【サイズ】適応板厚:18以下 【重量】150g 【注文コード】150-010-028 【品番】290-9307 [輸入]このマークの製品は輸入品のため「寸法・色調・作動感のばらつき」や、予告なく仕様変更等を行う場合があります。 製品内容は、部品としての品質範囲です。この部品を使用した最終製品の機能・性能・安全を保証するものではありません。 ※画像はイメージです。 ※パッケージ、仕様、品番などの変更が予告なく変更される場合が御座います。 カテゴリー


SUGATSUNE スガツネ工業 スリム プッシュ ラッチ IT5700型 用 調整機能付 (1)本体 マグネット付(キャッチなし丁番と併用) グレー 140-035-966 IT5700-8020IJ | DIY 金物 金具 スリムプッシュラッチ 部品 ツール シンプル 掛け金 留め金 扉 ドア スリム SUGATSUNE スガツネ工業 LAMP ランプ 建築金物 家具金物 金物 金具 スリムプッシュラッチ 調整機能 部品 ツール シンプル 掛け金 留め金 扉 ドア スリム  SUGATSUNE スガツネ工業 スリム プッシュ ラッチ IT5700型 用 調整機能付 (1)本体 マグネット付(キャッチなし丁番と併用) グレー 140-035-966 IT5700-8020IJ | DIY 金物 金具 スリムプッシュラッチ 部品 ツール シンプル 掛け金 留め金 扉 ドア スリム  
[ショップ:SIMONS STORE]  [ショップコード:simons-store]
価格:1,123円  税込  送料別  クレジットカード利用可  海外配送不可   翌日配送不可   ギフト包装不可 

※image photo スリム プッシュ ラッチ IT5700型 用 調整機能付 (1)本体 【説明】※本品はIT4523型(旧仕様)の代替品です。旧仕様の取付位置と互換性があります。 スリムで取り付けスペ-スをとらず、キャビネット内を有効活用できるプッシュラッチです。 マグネット付タイプは扉を閉める時に指先で軽く押すだけで、マグネットが扉をキャッチします。 多段式調整機能付のため、ストロ-ク長さを調整できます。 ストロ-クが本体からはずれないロック機能付です。 【注 意】 本体の取り付けには、必ず取付用工具(別売品)をご使用ください。 誤作動防止のため、ストロ-クの調整範囲をお守りください。 ストロ-ク部を回すと調整できますが、回転が止まった時点でそれ以上回さないでください。破損の原因になります。 ショ-ト・ミディアムタイプは扉吊元から200mm以上、ロングタイプは扉吊元から400mm以上の位置に取り付けてください。 面付仕様をご使用の際は、取付座・シェル(別売品)を必ず合わせてご注文ください。 マグネット付をご使用の際は、マグネット受座(別売品)を3種類の中から選定し、合わせてご注文ください。 粘着テ-プタイプのマグネット受座は、貼り付ける面の汚れや油分を拭き取ってから貼り付けてください。 マグネットの吸着力にはバラつきがあります。現品にてご確認ください。 【仕様】マグネット付(キャッチなし丁番と併用) 【材料】ステンレス鋼/ポリアセタール(POM) 【色】グレー 【サイズ】ロング L1:L2:A:B 37:68.4:29.5〜 35.5:70 【吸着力N】16.7 【吸着力kgf】 1.7 【重量】8g 【注文コード】140-035-966 【品番】IT5700-8020IJ 【(1)〜(4)の部品を組み合わせてご注文ください】 ※(5)取付工具は必ずご注文ください。 [輸入]このマークの製品は輸入品のため「寸法・色調・作動感のばらつき」や、予告なく仕様変更等を行う場合があります。 製品内容は、部品としての品質範囲です。この部品を使用した最終製品の機能・性能・安全を保証するものではありません。 ※画像はイメージです。 ※パッケージ、仕様、品番などの変更が予告なく変更される場合が御座います。 カテゴリー


SUGATSUNE スガツネ工業 スリム プッシュ ラッチ IT5700型 用 調整機能付 (1)本体 マグネットなし(キャッチ付丁番と併用) ホワイト 140-035-968 IT5700-8040AB | DIY 金物 金具 スリムプッシュラッチ 部品 ツール シンプル 掛け金 留め金 扉 ドア スリム SUGATSUNE スガツネ工業 LAMP ランプ 建築金物 家具金物 金物 金具 スリムプッシュラッチ 調整機能 部品 ツール シンプル 掛け金 留め金 扉 ドア スリム  SUGATSUNE スガツネ工業 スリム プッシュ ラッチ IT5700型 用 調整機能付 (1)本体 マグネットなし(キャッチ付丁番と併用) ホワイト 140-035-968 IT5700-8040AB | DIY 金物 金具 スリムプッシュラッチ 部品 ツール シンプル 掛け金 留め金 扉 ドア スリム  
[ショップ:SIMONS STORE]  [ショップコード:simons-store]
価格:1,006円  税込  送料別  クレジットカード利用可  海外配送不可   翌日配送不可   ギフト包装不可 

※image photo スリム プッシュ ラッチ IT5700型 用 調整機能付 (1)本体 【説明】※本品はIT4523型(旧仕様)の代替品です。旧仕様の取付位置と互換性があります。 スリムで取り付けスペ-スをとらず、キャビネット内を有効活用できるプッシュラッチです。 マグネット付タイプは扉を閉める時に指先で軽く押すだけで、マグネットが扉をキャッチします。 多段式調整機能付のため、ストロ-ク長さを調整できます。 ストロ-クが本体からはずれないロック機能付です。 【注 意】 本体の取り付けには、必ず取付用工具(別売品)をご使用ください。 誤作動防止のため、ストロ-クの調整範囲をお守りください。 ストロ-ク部を回すと調整できますが、回転が止まった時点でそれ以上回さないでください。破損の原因になります。 ショ-ト・ミディアムタイプは扉吊元から200mm以上、ロングタイプは扉吊元から400mm以上の位置に取り付けてください。 面付仕様をご使用の際は、取付座・シェル(別売品)を必ず合わせてご注文ください。 マグネット付をご使用の際は、マグネット受座(別売品)を3種類の中から選定し、合わせてご注文ください。 粘着テ-プタイプのマグネット受座は、貼り付ける面の汚れや油分を拭き取ってから貼り付けてください。 マグネットの吸着力にはバラつきがあります。現品にてご確認ください。 【仕様】マグネットなし(キャッチ付丁番と併用) 【材料】ステンレス鋼/ポリアセタール(POM)/ゴム 【色】ホワイト 【サイズ】ロング L1:L2:A:B 37:68.4:29.5〜 35.5:70 【重量】7g 【注文コード】140-035-968 【品番】IT5700-8040AB 【(1)〜(4)の部品を組み合わせてご注文ください】 ※(5)取付工具は必ずご注文ください。 [輸入]このマークの製品は輸入品のため「寸法・色調・作動感のばらつき」や、予告なく仕様変更等を行う場合があります。 製品内容は、部品としての品質範囲です。この部品を使用した最終製品の機能・性能・安全を保証するものではありません。 ※画像はイメージです。 ※パッケージ、仕様、品番などの変更が予告なく変更される場合が御座います。 カテゴリー



SUGATSUNE スガツネ工業 スリム プッシュ ラッチ IT5700型 用 調整機能付 (1)本体 マグネットなし(キャッチ付丁番と併用) ダークグレー 140-035-970 IT5700-8040EE | DIY 金物 金具 スリムプッシュラッチ 部品 ツール シンプル 掛け金 留め金 扉 ドア スリム SUGATSUNE スガツネ工業 LAMP ランプ 建築金物 家具金物 金物 金具 スリムプッシュラッチ 調整機能 部品 ツール シンプル 掛け金 留め金 扉 ドア スリム  SUGATSUNE スガツネ工業 スリム プッシュ ラッチ IT5700型 用 調整機能付 (1)本体 マグネットなし(キャッチ付丁番と併用) ダークグレー 140-035-970 IT5700-8040EE | DIY 金物 金具 スリムプッシュラッチ 部品 ツール シンプル 掛け金 留め金 扉 ドア スリム  
[ショップ:SIMONS STORE]  [ショップコード:simons-store]
価格:1,006円  税込  送料別  クレジットカード利用可  海外配送不可   翌日配送不可   ギフト包装不可 

※image photo スリム プッシュ ラッチ IT5700型 用 調整機能付 (1)本体 【説明】※本品はIT4523型(旧仕様)の代替品です。旧仕様の取付位置と互換性があります。 スリムで取り付けスペ-スをとらず、キャビネット内を有効活用できるプッシュラッチです。 マグネット付タイプは扉を閉める時に指先で軽く押すだけで、マグネットが扉をキャッチします。 多段式調整機能付のため、ストロ-ク長さを調整できます。 ストロ-クが本体からはずれないロック機能付です。 【注 意】 本体の取り付けには、必ず取付用工具(別売品)をご使用ください。 誤作動防止のため、ストロ-クの調整範囲をお守りください。 ストロ-ク部を回すと調整できますが、回転が止まった時点でそれ以上回さないでください。破損の原因になります。 ショ-ト・ミディアムタイプは扉吊元から200mm以上、ロングタイプは扉吊元から400mm以上の位置に取り付けてください。 面付仕様をご使用の際は、取付座・シェル(別売品)を必ず合わせてご注文ください。 マグネット付をご使用の際は、マグネット受座(別売品)を3種類の中から選定し、合わせてご注文ください。 粘着テ-プタイプのマグネット受座は、貼り付ける面の汚れや油分を拭き取ってから貼り付けてください。 マグネットの吸着力にはバラつきがあります。現品にてご確認ください。 【仕様】マグネットなし(キャッチ付丁番と併用) 【材料】ステンレス鋼/ポリアセタール(POM)/ゴム 【色】ダークグレー 【サイズ】ロング L1:L2:A:B 37:68.4:29.5〜 35.5:70 【重量】7g 【注文コード】140-035-970 【品番】IT5700-8040EE 【(1)〜(4)の部品を組み合わせてご注文ください】 ※(5)取付工具は必ずご注文ください。 [輸入]このマークの製品は輸入品のため「寸法・色調・作動感のばらつき」や、予告なく仕様変更等を行う場合があります。 製品内容は、部品としての品質範囲です。この部品を使用した最終製品の機能・性能・安全を保証するものではありません。 ※画像はイメージです。 ※パッケージ、仕様、品番などの変更が予告なく変更される場合が御座います。 カテゴリー


SUGATSUNE スガツネ工業 スリム プッシュ ラッチ IT5700型 用 調整機能付 (1)本体 マグネットなし(キャッチ付丁番と併用) グレー 140-035-969 IT5700-8040IJ | DIY 金物 金具 スリムプッシュラッチ 部品 ツール シンプル 掛け金 留め金 扉 ドア スリム SUGATSUNE スガツネ工業 LAMP ランプ 建築金物 家具金物 金物 金具 スリムプッシュラッチ 調整機能 部品 ツール シンプル 掛け金 留め金 扉 ドア スリム  SUGATSUNE スガツネ工業 スリム プッシュ ラッチ IT5700型 用 調整機能付 (1)本体 マグネットなし(キャッチ付丁番と併用) グレー 140-035-969 IT5700-8040IJ | DIY 金物 金具 スリムプッシュラッチ 部品 ツール シンプル 掛け金 留め金 扉 ドア スリム  
[ショップ:SIMONS STORE]  [ショップコード:simons-store]
価格:1,006円  税込  送料別  クレジットカード利用可  海外配送不可   翌日配送不可   ギフト包装不可 

※image photo スリム プッシュ ラッチ IT5700型 用 調整機能付 (1)本体 【説明】※本品はIT4523型(旧仕様)の代替品です。旧仕様の取付位置と互換性があります。 スリムで取り付けスペ-スをとらず、キャビネット内を有効活用できるプッシュラッチです。 マグネット付タイプは扉を閉める時に指先で軽く押すだけで、マグネットが扉をキャッチします。 多段式調整機能付のため、ストロ-ク長さを調整できます。 ストロ-クが本体からはずれないロック機能付です。 【注 意】 本体の取り付けには、必ず取付用工具(別売品)をご使用ください。 誤作動防止のため、ストロ-クの調整範囲をお守りください。 ストロ-ク部を回すと調整できますが、回転が止まった時点でそれ以上回さないでください。破損の原因になります。 ショ-ト・ミディアムタイプは扉吊元から200mm以上、ロングタイプは扉吊元から400mm以上の位置に取り付けてください。 面付仕様をご使用の際は、取付座・シェル(別売品)を必ず合わせてご注文ください。 マグネット付をご使用の際は、マグネット受座(別売品)を3種類の中から選定し、合わせてご注文ください。 粘着テ-プタイプのマグネット受座は、貼り付ける面の汚れや油分を拭き取ってから貼り付けてください。 マグネットの吸着力にはバラつきがあります。現品にてご確認ください。 【仕様】マグネットなし(キャッチ付丁番と併用) 【材料】ステンレス鋼/ポリアセタール(POM)/ゴム 【色】グレー 【サイズ】ロング L1:L2:A:B 37:68.4:29.5〜 35.5:70 【重量】7g 【注文コード】140-035-969 【品番】IT5700-8040IJ 【(1)〜(4)の部品を組み合わせてご注文ください】 ※(5)取付工具は必ずご注文ください。 [輸入]このマークの製品は輸入品のため「寸法・色調・作動感のばらつき」や、予告なく仕様変更等を行う場合があります。 製品内容は、部品としての品質範囲です。この部品を使用した最終製品の機能・性能・安全を保証するものではありません。 ※画像はイメージです。 ※パッケージ、仕様、品番などの変更が予告なく変更される場合が御座います。 カテゴリー


SUGATSUNE スガツネ工業 両開き 扉 錠 XL-GC01型 150-061-100 XL-GC01-CR-B | DIY LAMP ランプ 金物 金具 ツール 部品 錠 鍵 カギ セキュリティ部品 ロック 防犯 ガラス扉 ガラス 両開き扉 シンプル ドアロック SUGATSUNE スガツネ工業 LAMP ランプ 建築金物 家具金物 金物 金具 ツール 部品 錠 鍵 カギ セキュリティ部品 ロック 防犯 ガラス扉 ガラス 両開き扉 シンプル ドアロック  SUGATSUNE スガツネ工業 両開き 扉 錠 XL-GC01型 150-061-100 XL-GC01-CR-B | DIY LAMP ランプ 金物 金具 ツール 部品 錠 鍵 カギ セキュリティ部品 ロック 防犯 ガラス扉 ガラス 両開き扉 シンプル ドアロック  
[ショップ:DE(desir de vivre)]  [ショップコード:desir-de-vivre]
価格:11,550円  税込  送料別  クレジットカード利用可  海外配送不可   翌日配送不可   ギフト包装不可 

※image photo 両開き 扉 錠 XL-GC01型 【説明】用途:取付面:鍵違い数:マスターキー:解錠時:対応タートルロック 両開き扉:ガラス:24通り:-:キーは抜ける:XL-GCシリーズ 鍵穴が横についているため防犯性に優れ、正面からの外観を損ねません。 ロックはつまみの機能を兼ねているため無駄な部品が少なく、すっきりとしています。 【注 意】 錠前の取り扱い上のご注意をご確認ください。抜ける インセット扉に使用する場合は、マグネットキャッチXL-GC09-CRを併用ください。詳細は掲載ペ-ジをご覧ください。 【付属品】 パッキン、クリアバンパ- 【材料】(1)本体:亜鉛合金(ZDC) (2)受座:亜鉛合金(ZDC) (3)スペーサー:塩化ビニル樹脂(PVC) (4)固定ねじ:ステンレス鋼(SUS304) (5)キー:黄鋼/ABS樹脂 【色】(1)本体:- (2)受座:- (3)スペーサー:クリアー (4)固定ねじ:- (5)キー:ブラック 【仕上】(1)本体:クロムめっき (2)受座:クロムめっき (3)スペーサー:- (4)固定ねじ:素地 (5)キー:ニッケルめっき 【サイズ】適応ガラス厚:5、6、8 【注文コード】150-061-100 【品番】XL-GC01-CR-B 別番/同番:別番 製品内容は、部品としての品質範囲です。この部品を使用した最終製品の機能・性能・安全を保証するものではありません。 ※画像はイメージです。 ※パッケージ、仕様、品番などの変更が予告なく変更される場合が御座います。 カテゴリー



SUGATSUNE スガツネ工業 ガラス錠 ハウジング 1281-400 用 BMB 脱着錠シリーズ 受座 別売品 150-017-802 4303-701 | DIY LAMP ランプ 金物 金具 ツール 部品 パーツ 錠 鍵 カギ セキュリティ部品 防犯 ガラス扉 両開き扉 受座 ストライク シンプル SUGATSUNE スガツネ工業 LAMP ランプ 建築金物 家具金物 金物 金具 ツール 部品 パーツ 錠 鍵 カギ セキュリティ部品 防犯 ガラス扉 両開き扉 受座 ストライク シンプル  SUGATSUNE スガツネ工業 ガラス錠 ハウジング 1281-400 用 BMB 脱着錠シリーズ 受座 別売品 150-017-802 4303-701 | DIY LAMP ランプ 金物 金具 ツール 部品 パーツ 錠 鍵 カギ セキュリティ部品 防犯 ガラス扉 両開き扉 受座 ストライク シンプル  
[ショップ:SIMONS STORE]  [ショップコード:simons-store]
価格:20円  税込  送料別  クレジットカード利用可  海外配送不可   翌日配送不可   ギフト包装不可 

※image photo ガラス錠 ハウジング 1281-400 用 BMB 脱着錠シリーズ 受座 別売品 【説明】用途:取付面:鍵違い数:マスターキー:解錠時:対応タートルロック 両開き扉:ガラス:600通り:600通り(1マスターのみ):キーは抜ける:BMB脱着錠シリーズ シリンダー内筒が交換できる、マスターキー機能付シリンダー錠です。 キーの紛失や使用者の変更時に、シリンダー錠を本体ごと取り替える必要がないため、管理が大変容易です。 別売のマスターキーで一括管理もできます。 【注 意】 シリンダー内筒(別売品)の取り外しには、チェンジキー1011-106(別売品)が必要です。 錠前の取り扱い上のご注意をご確認ください。 ※ガラス受座、受座、シリンダー内筒、チェンジキーは別売品です。 【ガラス、地板加工図】 受座4303-701は、キャビネットなどに傷が付かないよう、あて木をしてたたき込んで取り付けてください。 複数のキャビネットを同じキーで施解錠できます BMB脱着錠シリーズの中で同じキー番号をご指定いただくと、同じキーで複数のキャビネットを施解錠できます。 。 【材料】鋼 【仕上】ニッケルめっき 【重量】0.5g 【注文コード】150-017-802 【品番】4303-701 [輸入]このマークの製品は輸入品のため「寸法・色調・作動感のばらつき」や、予告なく仕様変更等を行う場合があります。 製品内容は、部品としての品質範囲です。この部品を使用した最終製品の機能・性能・安全を保証するものではありません。 ※画像はイメージです。 ※パッケージ、仕様、品番などの変更が予告なく変更される場合が御座います。 カテゴリー


SUGATSUNE スガツネ工業 片開き 扉 錠 XL-GC02型 左仕様 150-061-101 XL-GC02-L-CR-B | DIY LAMP ランプ 金物 金具 ツール 部品 錠 鍵 カギ セキュリティ部品 ロック 防犯 ガラス扉 ガラス 片開き扉 シンプル ドアロック SUGATSUNE スガツネ工業 LAMP ランプ 建築金物 家具金物 金物 金具 ツール 部品 錠 鍵 カギ セキュリティ部品 ロック 防犯 ガラス扉 ガラス 片開き扉 シンプル ドアロック  SUGATSUNE スガツネ工業 片開き 扉 錠 XL-GC02型 左仕様 150-061-101 XL-GC02-L-CR-B | DIY LAMP ランプ 金物 金具 ツール 部品 錠 鍵 カギ セキュリティ部品 ロック 防犯 ガラス扉 ガラス 片開き扉 シンプル ドアロック  
[ショップ:DE(desir de vivre)]  [ショップコード:desir-de-vivre]
価格:10,890円  税込  送料別  クレジットカード利用可  海外配送不可   翌日配送不可   ギフト包装不可 

※image photo 片開き 扉 錠 XL-GC02型 【説明】用途:取付面:鍵違い数:マスターキー:解錠時:対応タートルロック 片開き扉:ガラス:24通り:-:キーは抜ける:XL-GCシリーズ 【注 意】 錠前の取り扱い上のご注意をご確認ください。 【付属品】 パッキン 十字穴付皿木ねじ3.1×20(ステンレス鋼) 写真は左仕様です。 【仕様】左仕様 【材料】(1)本体:亜鉛合金(ZDC) (2)受座:ステンレス鋼(SUS304)/クロロプレンゴム(CR) (3)固定ねじ:ステンレス鋼(SUS304) (4)スペーサー:合成ゴム (5)キー:黄鋼/ABS樹脂 【色】(1)本体:- (2)受座:ブラック (3)固定ねじ:- (4)スペーサー:ブラック (5)キー:ブラック 【仕上】(1)本体:クロムめっき (2)受座:光沢バレル (3)固定ねじ:素地 (4)スペーサー:- (5)キー:ニッケルめっき 【サイズ】適応ガラス厚:5、6、8 【注文コード】150-061-101 【品番】XL-GC02-L-CR-B 別番/同番:別番 製品内容は、部品としての品質範囲です。この部品を使用した最終製品の機能・性能・安全を保証するものではありません。 ※画像はイメージです。 ※パッケージ、仕様、品番などの変更が予告なく変更される場合が御座います。 カテゴリー


SUGATSUNE スガツネ工業 片開き 扉 錠 XL-GC02型 左仕様 150-001-053 XL-GC02-L-CR-D | DIY LAMP ランプ 金物 金具 ツール 部品 錠 鍵 カギ セキュリティ部品 ロック 防犯 ガラス扉 ガラス 片開き扉 シンプル ドアロック SUGATSUNE スガツネ工業 LAMP ランプ 建築金物 家具金物 金物 金具 ツール 部品 錠 鍵 カギ セキュリティ部品 ロック 防犯 ガラス扉 ガラス 片開き扉 シンプル ドアロック  SUGATSUNE スガツネ工業 片開き 扉 錠 XL-GC02型 左仕様 150-001-053 XL-GC02-L-CR-D | DIY LAMP ランプ 金物 金具 ツール 部品 錠 鍵 カギ セキュリティ部品 ロック 防犯 ガラス扉 ガラス 片開き扉 シンプル ドアロック  
[ショップ:DE(desir de vivre)]  [ショップコード:desir-de-vivre]
価格:10,890円  税込  送料別  クレジットカード利用可  海外配送不可   翌日配送不可   ギフト包装不可 

※image photo 片開き 扉 錠 XL-GC02型 【説明】用途:取付面:鍵違い数:マスターキー:解錠時:対応タートルロック 片開き扉:ガラス:24通り:-:キーは抜ける:XL-GCシリーズ 【注 意】 錠前の取り扱い上のご注意をご確認ください。 【付属品】 パッキン 十字穴付皿木ねじ3.1×20(ステンレス鋼) 写真は左仕様です。 【仕様】左仕様 【材料】(1)本体:亜鉛合金(ZDC) (2)受座:ステンレス鋼(SUS304)/クロロプレンゴム(CR) (3)固定ねじ:ステンレス鋼(SUS304) (4)スペーサー:合成ゴム (5)キー:黄鋼/ABS樹脂 【色】(1)本体:- (2)受座:ブラック (3)固定ねじ:- (4)スペーサー:ブラック (5)キー:ブラック 【仕上】(1)本体:クロムめっき (2)受座:光沢バレル (3)固定ねじ:素地 (4)スペーサー:- (5)キー:ニッケルめっき 【サイズ】適応ガラス厚:5、6、8 【注文コード】150-001-053 【品番】XL-GC02-L-CR-D 別番/同番:同番 製品内容は、部品としての品質範囲です。この部品を使用した最終製品の機能・性能・安全を保証するものではありません。 ※画像はイメージです。 ※パッケージ、仕様、品番などの変更が予告なく変更される場合が御座います。 カテゴリー



SUGATSUNE スガツネ工業 スリム プッシュ ラッチ IT5700型 用 調整機能付 (3)取付座(面付仕様専用) 別売品 ホワイト 140-035-974 IT5701-5040AB | DIY 金物 金具 スリムプッシュラッチ 調整機能 部品 ツール シンプル 掛け金 留め金 扉 ドア スリム SUGATSUNE スガツネ工業 LAMP ランプ 建築金物 家具金物 金物 金具 スリムプッシュラッチ 調整機能 部品 ツール シンプル 掛け金 留め金 扉 ドア スリム  SUGATSUNE スガツネ工業 スリム プッシュ ラッチ IT5700型 用 調整機能付 (3)取付座(面付仕様専用) 別売品 ホワイト 140-035-974 IT5701-5040AB | DIY 金物 金具 スリムプッシュラッチ 調整機能 部品 ツール シンプル 掛け金 留め金 扉 ドア スリム  
[ショップ:SIMONS STORE]  [ショップコード:simons-store]
価格:53円  税込  送料別  クレジットカード利用可  海外配送不可   翌日配送不可   ギフト包装不可 

※image photo スリム プッシュ ラッチ IT5700型 用 調整機能付 (3)取付座(面付仕様専用) 別売品 【説明】※本品はIT4523型(旧仕様)の代替品です。旧仕様の取付位置と互換性があります。 スリムで取り付けスペ-スをとらず、キャビネット内を有効活用できるプッシュラッチです。 マグネット付タイプは扉を閉める時に指先で軽く押すだけで、マグネットが扉をキャッチします。 多段式調整機能付のため、ストロ-ク長さを調整できます。 ストロ-クが本体からはずれないロック機能付です。 【注 意】 本体の取り付けには、必ず取付用工具(別売品)をご使用ください。 誤作動防止のため、ストロ-クの調整範囲をお守りください。 ストロ-ク部を回すと調整できますが、回転が止まった時点でそれ以上回さないでください。破損の原因になります。 ショ-ト・ミディアムタイプは扉吊元から200mm以上、ロングタイプは扉吊元から400mm以上の位置に取り付けてください。 面付仕様をご使用の際は、取付座・シェル(別売品)を必ず合わせてご注文ください。 マグネット付をご使用の際は、マグネット受座(別売品)を3種類の中から選定し、合わせてご注文ください。 粘着テ-プタイプのマグネット受座は、貼り付ける面の汚れや油分を拭き取ってから貼り付けてください。 マグネットの吸着力にはバラつきがあります。現品にてご確認ください。 【材料】ポリアセタール(POM) 【色】ホワイト 【サイズ】ショート・ミディアム 【重量】3g 【注文コード】140-035-974 【品番】IT5701-5040AB 【(1)〜(4)の部品を組み合わせてご注文ください】 ※(5)取付工具は必ずご注文ください。 [輸入]このマークの製品は輸入品のため「寸法・色調・作動感のばらつき」や、予告なく仕様変更等を行う場合があります。 製品内容は、部品としての品質範囲です。この部品を使用した最終製品の機能・性能・安全を保証するものではありません。 ※画像はイメージです。 ※パッケージ、仕様、品番などの変更が予告なく変更される場合が御座います。 カテゴリー


SUGATSUNE スガツネ工業 片開き 扉 錠 XL-GC02型 右仕様 150-061-102 XL-GC02-R-CR-B | DIY LAMP ランプ 金物 金具 ツール 部品 錠 鍵 カギ セキュリティ部品 ロック 防犯 ガラス扉 ガラス 片開き扉 シンプル ドアロック SUGATSUNE スガツネ工業 LAMP ランプ 建築金物 家具金物 金物 金具 ツール 部品 錠 鍵 カギ セキュリティ部品 ロック 防犯 ガラス扉 ガラス 片開き扉 シンプル ドアロック  SUGATSUNE スガツネ工業 片開き 扉 錠 XL-GC02型 右仕様 150-061-102 XL-GC02-R-CR-B | DIY LAMP ランプ 金物 金具 ツール 部品 錠 鍵 カギ セキュリティ部品 ロック 防犯 ガラス扉 ガラス 片開き扉 シンプル ドアロック  
[ショップ:DE(desir de vivre)]  [ショップコード:desir-de-vivre]
価格:10,890円  税込  送料別  クレジットカード利用可  海外配送不可   翌日配送不可   ギフト包装不可 

※image photo 片開き 扉 錠 XL-GC02型 【説明】用途:取付面:鍵違い数:マスターキー:解錠時:対応タートルロック 片開き扉:ガラス:24通り:-:キーは抜ける:XL-GCシリーズ 【注 意】 錠前の取り扱い上のご注意をご確認ください。 【付属品】 パッキン 十字穴付皿木ねじ3.1×20(ステンレス鋼) 写真は左仕様です。 【仕様】右仕様 【材料】(1)本体:亜鉛合金(ZDC) (2)受座:ステンレス鋼(SUS304)/クロロプレンゴム(CR) (3)固定ねじ:ステンレス鋼(SUS304) (4)スペーサー:合成ゴム (5)キー:黄鋼/ABS樹脂 【色】(1)本体:- (2)受座:ブラック (3)固定ねじ:- (4)スペーサー:ブラック (5)キー:ブラック 【仕上】(1)本体:クロムめっき (2)受座:光沢バレル (3)固定ねじ:素地 (4)スペーサー:- (5)キー:ニッケルめっき 【サイズ】適応ガラス厚:5、6、8 【注文コード】150-061-102 【品番】XL-GC02-R-CR-B 別番/同番:別番 製品内容は、部品としての品質範囲です。この部品を使用した最終製品の機能・性能・安全を保証するものではありません。 ※画像はイメージです。 ※パッケージ、仕様、品番などの変更が予告なく変更される場合が御座います。 カテゴリー


SUGATSUNE スガツネ工業 スリム プッシュ ラッチ IT5700型 用 調整機能付 (3)取付座(面付仕様専用) 別売品 ダークグレー 140-035-976 IT5701-5040EE | DIY 金物 金具 スリムプッシュラッチ 調整機能 部品 ツール シンプル 掛け金 留め金 扉 ドア スリム SUGATSUNE スガツネ工業 LAMP ランプ 建築金物 家具金物 金物 金具 スリムプッシュラッチ 調整機能 部品 ツール シンプル 掛け金 留め金 扉 ドア スリム  SUGATSUNE スガツネ工業 スリム プッシュ ラッチ IT5700型 用 調整機能付 (3)取付座(面付仕様専用) 別売品 ダークグレー 140-035-976 IT5701-5040EE | DIY 金物 金具 スリムプッシュラッチ 調整機能 部品 ツール シンプル 掛け金 留め金 扉 ドア スリム  
[ショップ:SIMONS STORE]  [ショップコード:simons-store]
価格:53円  税込  送料別  クレジットカード利用可  海外配送不可   翌日配送不可   ギフト包装不可 

※image photo スリム プッシュ ラッチ IT5700型 用 調整機能付 (3)取付座(面付仕様専用) 別売品 【説明】※本品はIT4523型(旧仕様)の代替品です。旧仕様の取付位置と互換性があります。 スリムで取り付けスペ-スをとらず、キャビネット内を有効活用できるプッシュラッチです。 マグネット付タイプは扉を閉める時に指先で軽く押すだけで、マグネットが扉をキャッチします。 多段式調整機能付のため、ストロ-ク長さを調整できます。 ストロ-クが本体からはずれないロック機能付です。 【注 意】 本体の取り付けには、必ず取付用工具(別売品)をご使用ください。 誤作動防止のため、ストロ-クの調整範囲をお守りください。 ストロ-ク部を回すと調整できますが、回転が止まった時点でそれ以上回さないでください。破損の原因になります。 ショ-ト・ミディアムタイプは扉吊元から200mm以上、ロングタイプは扉吊元から400mm以上の位置に取り付けてください。 面付仕様をご使用の際は、取付座・シェル(別売品)を必ず合わせてご注文ください。 マグネット付をご使用の際は、マグネット受座(別売品)を3種類の中から選定し、合わせてご注文ください。 粘着テ-プタイプのマグネット受座は、貼り付ける面の汚れや油分を拭き取ってから貼り付けてください。 マグネットの吸着力にはバラつきがあります。現品にてご確認ください。 【材料】ポリアセタール(POM) 【色】ダークグレー 【サイズ】ショート・ミディアム 【重量】3g 【注文コード】140-035-976 【品番】IT5701-5040EE 【(1)〜(4)の部品を組み合わせてご注文ください】 ※(5)取付工具は必ずご注文ください。 [輸入]このマークの製品は輸入品のため「寸法・色調・作動感のばらつき」や、予告なく仕様変更等を行う場合があります。 製品内容は、部品としての品質範囲です。この部品を使用した最終製品の機能・性能・安全を保証するものではありません。 ※画像はイメージです。 ※パッケージ、仕様、品番などの変更が予告なく変更される場合が御座います。 カテゴリー



SUGATSUNE スガツネ工業 片開き 扉 錠 XL-GC02型 右仕様 150-001-054 XL-GC02-R-CR-D | DIY LAMP ランプ 金物 金具 ツール 部品 錠 鍵 カギ セキュリティ部品 ロック 防犯 ガラス扉 ガラス 片開き扉 シンプル ドアロック SUGATSUNE スガツネ工業 LAMP ランプ 建築金物 家具金物 金物 金具 ツール 部品 錠 鍵 カギ セキュリティ部品 ロック 防犯 ガラス扉 ガラス 片開き扉 シンプル ドアロック  SUGATSUNE スガツネ工業 片開き 扉 錠 XL-GC02型 右仕様 150-001-054 XL-GC02-R-CR-D | DIY LAMP ランプ 金物 金具 ツール 部品 錠 鍵 カギ セキュリティ部品 ロック 防犯 ガラス扉 ガラス 片開き扉 シンプル ドアロック  
[ショップ:DE(desir de vivre)]  [ショップコード:desir-de-vivre]
価格:10,890円  税込  送料別  クレジットカード利用可  海外配送不可   翌日配送不可   ギフト包装不可 

※image photo 片開き 扉 錠 XL-GC02型 【説明】用途:取付面:鍵違い数:マスターキー:解錠時:対応タートルロック 片開き扉:ガラス:24通り:-:キーは抜ける:XL-GCシリーズ 【注 意】 錠前の取り扱い上のご注意をご確認ください。 【付属品】 パッキン 十字穴付皿木ねじ3.1×20(ステンレス鋼) 写真は左仕様です。 【仕様】右仕様 【材料】(1)本体:亜鉛合金(ZDC) (2)受座:ステンレス鋼(SUS304)/クロロプレンゴム(CR) (3)固定ねじ:ステンレス鋼(SUS304) (4)スペーサー:合成ゴム (5)キー:黄鋼/ABS樹脂 【色】(1)本体:- (2)受座:ブラック (3)固定ねじ:- (4)スペーサー:ブラック (5)キー:ブラック 【仕上】(1)本体:クロムめっき (2)受座:光沢バレル (3)固定ねじ:素地 (4)スペーサー:- (5)キー:ニッケルめっき 【サイズ】適応ガラス厚:5、6、8 【注文コード】150-001-054 【品番】XL-GC02-R-CR-D 別番/同番:同番 製品内容は、部品としての品質範囲です。この部品を使用した最終製品の機能・性能・安全を保証するものではありません。 ※画像はイメージです。 ※パッケージ、仕様、品番などの変更が予告なく変更される場合が御座います。 カテゴリー


SUGATSUNE スガツネ工業 引違戸 錠 XL-GC03型 150-061-103 XL-GC03-CR-B | DIY LAMP ランプ 金物 金具 ツール 部品 錠 鍵 カギ セキュリティ部品 ロック 防犯 ガラス扉 ガラス 引違戸 シンプル ドアロック SUGATSUNE スガツネ工業 LAMP ランプ 建築金物 家具金物 金物 金具 ツール 部品 錠 鍵 カギ セキュリティ部品 ロック 防犯 ガラス扉 ガラス 引違戸 シンプル ドアロック  SUGATSUNE スガツネ工業 引違戸 錠 XL-GC03型 150-061-103 XL-GC03-CR-B | DIY LAMP ランプ 金物 金具 ツール 部品 錠 鍵 カギ セキュリティ部品 ロック 防犯 ガラス扉 ガラス 引違戸 シンプル ドアロック  
[ショップ:DE(desir de vivre)]  [ショップコード:desir-de-vivre]
価格:8,364円  税込  送料別  クレジットカード利用可  海外配送不可   翌日配送不可   ギフト包装不可 

※image photo 引違戸 錠 XL-GC03型 【説明】用途:取付面:鍵違い数:マスターキー:解錠時:対応タートルロック 引違戸:ガラス:24通り:-:キーは抜ける:XL-GCシリーズ 鍵穴が横についているため防犯性に優れ、正面からの外観を損ねません。 前側の戸が右側に納まった時に施錠できます(右前仕様の引違戸)。 【注 意】 錠前の取り扱い上のご注意をご確認ください。抜ける 扉2枚当たり本品を1ヶ(受座、キー付)ご注文ください。 【別売品】 ガイドレ-ルXL-GC03-GL1200 【材料】(1)本体:亜鉛合金(ZDC) (2)受座:亜鉛合金(ZDC) (3)スペーサー:合成ゴム (4)固定ねじ:ステンレス鋼(SUS304) (5)キー:黄鋼/ABS樹脂 【色】(1)本体:- (2)受座:- (3)スペーサー:ブラック (4)固定ねじ:- (5)キー:ブラック 【仕上】(1)本体:クロムめっき (2)受座:クロムめっき (3)スペーサー:- (4)固定ねじ:素地 (5)キー:ニッケルめっき 【サイズ】適応ガラス厚:8 【注文コード】150-061-103 【品番】XL-GC03-CR-B 別番/同番:別番 製品内容は、部品としての品質範囲です。この部品を使用した最終製品の機能・性能・安全を保証するものではありません。 ※画像はイメージです。 ※パッケージ、仕様、品番などの変更が予告なく変更される場合が御座います。 カテゴリー


SUGATSUNE スガツネ工業 引違戸 錠 XL-GC03型 150-001-055 XL-GC03-CR-D | DIY LAMP ランプ 金物 金具 ツール 部品 錠 鍵 カギ セキュリティ部品 ロック 防犯 ガラス扉 ガラス 引違戸 シンプル ドアロック SUGATSUNE スガツネ工業 LAMP ランプ 建築金物 家具金物 金物 金具 ツール 部品 錠 鍵 カギ セキュリティ部品 ロック 防犯 ガラス扉 ガラス 引違戸 シンプル ドアロック  SUGATSUNE スガツネ工業 引違戸 錠 XL-GC03型 150-001-055 XL-GC03-CR-D | DIY LAMP ランプ 金物 金具 ツール 部品 錠 鍵 カギ セキュリティ部品 ロック 防犯 ガラス扉 ガラス 引違戸 シンプル ドアロック  
[ショップ:DE(desir de vivre)]  [ショップコード:desir-de-vivre]
価格:8,364円  税込  送料別  クレジットカード利用可  海外配送不可   翌日配送不可   ギフト包装不可 

※image photo 引違戸 錠 XL-GC03型 【説明】用途:取付面:鍵違い数:マスターキー:解錠時:対応タートルロック 引違戸:ガラス:24通り:-:キーは抜ける:XL-GCシリーズ 鍵穴が横についているため防犯性に優れ、正面からの外観を損ねません。 前側の戸が右側に納まった時に施錠できます(右前仕様の引違戸)。 【注 意】 錠前の取り扱い上のご注意をご確認ください。抜ける 扉2枚当たり本品を1ヶ(受座、キー付)ご注文ください。 【別売品】 ガイドレ-ルXL-GC03-GL1200 【材料】(1)本体:亜鉛合金(ZDC) (2)受座:亜鉛合金(ZDC) (3)スペーサー:合成ゴム (4)固定ねじ:ステンレス鋼(SUS304) (5)キー:黄鋼/ABS樹脂 【色】(1)本体:- (2)受座:- (3)スペーサー:ブラック (4)固定ねじ:- (5)キー:ブラック 【仕上】(1)本体:クロムめっき (2)受座:クロムめっき (3)スペーサー:- (4)固定ねじ:素地 (5)キー:ニッケルめっき 【サイズ】適応ガラス厚:8 【注文コード】150-001-055 【品番】XL-GC03-CR-D 別番/同番:同番 製品内容は、部品としての品質範囲です。この部品を使用した最終製品の機能・性能・安全を保証するものではありません。 ※画像はイメージです。 ※パッケージ、仕様、品番などの変更が予告なく変更される場合が御座います。 カテゴリー



SUGATSUNE スガツネ工業 マグネット キャッチ XL-GC09-CR 天板プレート・受座付 PAT 140-017-556 XL-GC09-CR | DIY LAMP ランプ 金物 金具 マグネットキャッチ 部品 ツール シンプル 天板 木 ガラス 受座付 クロムめっき 戸 扉 SUGATSUNE スガツネ工業 LAMP ランプ 建築金物 家具金物 金物 金具 マグネットキャッチ 部品 ツール シンプル 天板 木 ガラス 受座付 クロムめっき 戸 扉  SUGATSUNE スガツネ工業 マグネット キャッチ XL-GC09-CR 天板プレート・受座付 PAT 140-017-556 XL-GC09-CR | DIY LAMP ランプ 金物 金具 マグネットキャッチ 部品 ツール シンプル 天板 木 ガラス 受座付 クロムめっき 戸 扉  
[ショップ:DE(desir de vivre)]  [ショップコード:desir-de-vivre]
価格:5,406円  税込  送料別  クレジットカード利用可  海外配送不可   翌日配送不可   ギフト包装不可 

※image photo マグネット キャッチ XL-GC09-CR 天板プレート・受座付 PAT 【説明】ガラスキャビネット用のマグネットキャッチです。 天板が木、ガラスのどちらでもご使用できます。 観音開き錠XL-GC01型、開き戸錠XL-GC02型や、ガラス丁番XLGC04-CR、天板ガラス受XL-GC05-CRなどと一緒に使用すると統一した デザインのガラスキャビネットにできます。 XL-GCシリーズの詳細は各製品ペ-ジをご覧ください。 プッシュオ-プンタイプではないため、観音開き錠XL-GC01型や開き戸錠XLGC02型、つまみやハンドルとの併用をお勧めします。 【付属ねじ】 十字穴付バインド小ねじM4×12 【注 意】 取扱い上のご注意を必ずご確認ください。 【材料】(1)本体:亜鉛合金(ZDC) (2)天板プレート:亜鉛合金(ZDC) (3)スペーサー:合成ゴム (4)受座:鋼 (5)受座表面プレート:亜鉛合金(ZDC) (6)受座パッキン:スポンジゴム 【色】(1)本体:- (2)天板プレート:- (3)スペーサー:ブラック (4)受座:- (5)受座表面プレート:- (6)受座パッキン:ブラック 【仕上】(1)本体:クロムめっき (2)天板プレート:クロムめっき (3)スペーサー:- (4)受座:クロムめっき (5)受座表面プレート:クロムめっき (6)受座パッキン:- 【サイズ】適応ガラス厚: 5、6、8 【吸着力N】14.7 【吸着力kgf】 1.5 【重量】110g 【注文コード】140-017-556 【品番】XL-GC09-CR 製品内容は、部品としての品質範囲です。この部品を使用した最終製品の機能・性能・安全を保証するものではありません。 ※画像はイメージです。 ※パッケージ、仕様、品番などの変更が予告なく変更される場合が御座います。 カテゴリー


SUGATSUNE スガツネ工業 カムロック 3403S型 150-061-988 3403S-B | DIY LAMP ランプ 金物 金具 ツール 錠 鍵 カギ 部品 パーツ セキュリティ部品 防犯 ロック カムロック 片開き扉 板金 クロムめっき SUGATSUNE スガツネ工業 LAMP ランプ 建築金物 家具金物 金物 金具 ツール 錠 鍵 カギ 部品 パーツ セキュリティ部品 防犯 ロック カムロック 片開き扉 板金 クロムめっき  SUGATSUNE スガツネ工業 カムロック 3403S型 150-061-988 3403S-B | DIY LAMP ランプ 金物 金具 ツール 錠 鍵 カギ 部品 パーツ セキュリティ部品 防犯 ロック カムロック 片開き扉 板金 クロムめっき  
[ショップ:DE(desir de vivre)]  [ショップコード:desir-de-vivre]
価格:2,332円  税込  送料別  クレジットカード利用可  海外配送不可   翌日配送不可   ギフト包装不可 

※image photo カムロック 3403S型 【説明】用途:取付面:鍵違い数:マスターキー:解錠時:対応タートルロック 片開き扉:板金:20通り※1:-※2:キーは抜けない:- ※120通り以上の鍵違い数についてはお問い合わせください。 ※2受注対応 キーは抜き差し方向のないリバーシブルタイプです。 【注 意】 取扱い上のご注意を必ずご確認ください。 【付属品】 キー 【材料】(1)本体:亜鉛合金 (2)六角ナット:亜鉛合金 (3)カム:鋼 (4)キー:黄鋼 【仕上】(1)本体:ニッケルめっき (2)六角ナット:光沢クロメート処理 (3)カム:光沢クロメート処理 (4)キー:ニッケルめっき 【サイズ】適応板厚:6以下 【重量】60g 【注文コード】150-061-988 【品番】3403S-B 別番/同番:別番 キー抜き差し※:1ヶ所 ※解錠時にキーが抜けず、施錠忘れを防げる仕様 キー回転角度:90度 [輸入]このマークの製品は輸入品のため「寸法・色調・作動感のばらつき」や、予告なく仕様変更等を行う場合があります。 製品内容は、部品としての品質範囲です。この部品を使用した最終製品の機能・性能・安全を保証するものではありません。 ※画像はイメージです。 ※パッケージ、仕様、品番などの変更が予告なく変更される場合が御座います。 カテゴリー





4283件|2026-02-11更新|13ページ/100ページ
<-- 前のページへ 次のページへ -->

(C) Since 2007 電子商取引市場, or its suppliers. All rights reserved.